Hướng dẫn cài đặt cơ bản cho biến tần ATV610 Schneider nhanh và đơn giản nhất
6 bước cài đặt cơ bản để 1 biến tần ATV610 có thể chạy được :
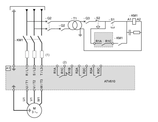
Bước 1: Cấp nguồn cho biến tần ATV610

Bước 2: Kết nối biến tần ATV610 với động cơ

Bước 3: Đấu nối mạch điều khiển cho biến tần ATV610

Bước 4: Làm quen với màn hình điều khiển

Bước 5: Cài đặt thông số động cơ vào biến tần ATV610
Trong thư mục chính Main Menu - chọn 4 [Complete settings] Cst sau đó chọn tiếp Motor parameters
Trong mục Motor parameters- cài đặt các thông số sau:
- Basic frequency: loại động cơ = 50 (IEC) hoặc 60 (NEMA) (Thường cài 50)
- Nominal motor power: Công suất động cơ (kW)
- Nom motor voltage: Điện áp định mức động cơ (V)
- Nom motor current: Dòng định mức động cơ (A)
- Nominal motor freq: Tần số định mức động cơ (Hz)
- Nominal motor speed: Tốc độ định mức động cơ (rpm)
Cài đặt luật điều khiển động cơ của biến tần ATV610
- Main Menu / Complete setting / Motor parameter /
Motor control Type = SVC V: Luật vector vòng hở
FVC: Luật vector vòng kín (dùng encoder)
Cài đặt thời gian tăng tốc và giảm tốc cho biến tần ATV610
- Vào Main Menu Simply Start
- Acceleration = Thời gian tăng tốc (s)
- Deceleration= Thời gian giảm tốc (s)
Cài đặt bảo vệ quá tải cho biến tần ATV610
- Vào Main Menu => Simply start => Motor Th Current = Dòng bảo vệ quá tải (A) ( chỉnh = dòng định mức động cơ)
- Vào Main Menu => Complete setting => Error warning handling => Catch on the fly => Catch on fly = Yes
Khôi phục cài đặt mặc định của biến tần ATV610
- Vào Main Menu => File management => Factory Setting => Parameter Group List = All
=> Go to factory Setting OK
=> Complete setting => Error warning handle => input phase loss = Ignore
Cài đặt Điều khiển biến tần ATV610 bằng nút nhấn trên màn hình:
- Vào Main Menu => Complete setting => Command and reference.
Ref Freq => Config = [Ref.Freq – Rmt.Term]
Mặc định: Cài đặt điều khiển và tham chiếu kết hợp.
Vd:
- Tham chiếu (Fr1) = AI1 Điều khiển (Cmd) = Terminal.
- Tham chiếu (Fr1) = AI2 Điều khiển (Cmd) = Terminal.
- Tham chiếu (Fr1) = HMI Điều khiển (Cmd) = HMI.
- Control mode = Not Separate
Cài đặt điều khiển bằng nút nhấn trên màn hình biến tần ATV610:
- Vào Main Menu => Complete setting => Command and reference.
Ref Freq => Config = [Ref.Freq – Rmt.Term]
Mặc định: Cài đặt điều khiển và tham chiếu kết hợp.
Vd:
- Tham chiếu (Fr1) = AI1 Điều khiển (Cmd) = Terminal.
- Tham chiếu (Fr1) = AI2 Điều khiển (Cmd) = Terminal.
- Tham chiếu (Fr1) = HMI Điều khiển (Cmd) = HMI.
- Control mode = Not Separate
Cài đặt tín hiệu chuyển đổi giữa 2 kênh tham chiếu biến tần ATV610 :
- Vào Main Menu => Chọn Complete setting => Chọn Command and reference
- Ref Freq 1 Config = AI1
- Ref Freq 2 Config = HMI
- Freq Switch Assign = DI3
- Cmd channel 1 = Cmd channel 2 = Terminal
- Control mode = Separate
1 [Simply start] SYS - 1.2 [Simply Start] sim- [Low speed] LSP 0.0 Hz và [High speed] HSP 50.0 Hz
Giới hạn tần số tối đa: High speed
VD: Tần số tối đa cho phép = 50Hz và giới hạn tần số tối đa = 60Hz
Tần số tối thiểu cho phép = 0Hz
Chọn phương thức dừng động cơ trong biến tần ATV610
[Simply start] SYS - 1.2 [Simply Start] sim- [Low speed] LSP 0.0 Hz và [High speed] HSP 50.0 Hz
Cài đặt động cơ chạy theo nhiều cấp tốc độ cho biến tần ATV610:

Bước 6: Kiểm tra và chạy thử
- Kiểm tra mạch cấp nguồn - mạch điều khiển - đo thông mạch và kiểm tra các thiết bị lần cuối trước khi chạy thử
Hotline: 0983.971.891



Bình luận