
Biến tần schneider atv310 - chức năng bơm phụ
1. Giới thiệu về biến tần Schneider ATV310:
Hiện nay, ngành tự động hóa ngày càng phát triển. Các ứng dụng công nghiệp sử dụng động cơ ngày càng nhiều, kéo theo biến tần ngày càng được sử dụng rộng rãi. Biến tần giúp giải quyết các bài toán vận hành một cách tối ưu nhất. Giúp giải quyết các vấn đề về năng lượng, về năng suất, về chất lượng và giá thành tạo tiền đề cho sự phát triển của các doanh nghiệp trong thời đại thị trường hiện nay.
Trong đó có lĩnh vực bơm quạt. Hiện tại Cty TNHH TM Hợp phát là nhà phân phối thiết bị điện Schneider Electric đang cung cấp biến tần Schneider ATV310 có thể đáp ứng độ tiện dụng đối với bơm quạt.
Bài viết này sẽ hướng dẫn quý khách cách sử dụng bơm phụ khi dùng biến tần schneider ATV310 điều khiển bơm.
2. Khi nào cần sử dụng bơm phụ?
Khi nhu cầu dùng nước thấp hơn khả năng cấp nước của bơm nước đang sử dụng biến tần thì bơm đang sử dụng biến tần sẽ hoạt động.
Khi nhu cầu dùng nước cao hơn khả năng cấp nước của một bơm nước và thấp hơn khả năng cấp nước của hai bơm nước thì bơm hai sẽ chạy với tần số định mức, bơm một sẽ chạy bằng biến tần với tần số điều khiển.
Nói cách khác: Khi bơm hoạt động đến tần số cài đặt mà vẫn chưa đủ áp thì chức năng bơm phụ sẽ bật lên.
Dưới đây là giản đồ hoạt động của chức năng bơm phụ:

3. Lý thuyết hoạt động chức năng bơm phụ của biến tần Schneider ATV310:
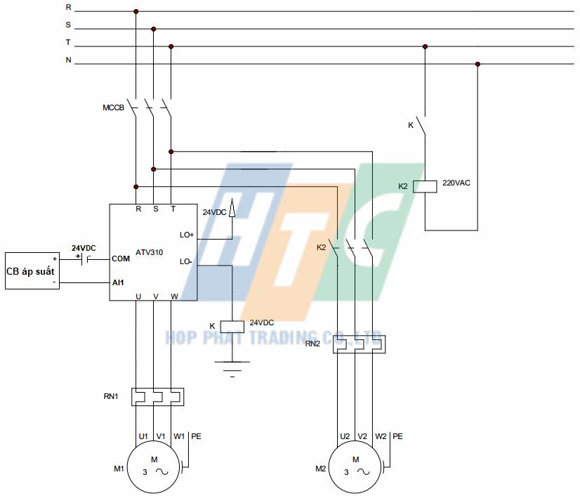
Dưới đây là sơ đồ mạch động lực:

+ Nguyên lý hoạt động:
Khi đóng MCCB, biến tần dược cấp nguồn và điều khiển bơm hoạt động ở tần số cài đặt.
Khi biến tần chạy đến giá trị cài đặt bơm phụ (510.1) mà vẫn chưa đủ áp (nhận từ cảm biến áp suất) ngõ ra transistor LO sẽ dẫn. Relay K (24VDC) được kích, tiếp điểm K đóng lại, cuộn coil của Contactor K2 được kích, tiếp điểm K2 đóng, bơm hai chạy.
+ Cách kết nối với cảm biến áp suất:

4. Cách cài đặt:
Định nghĩa chân LO là chân kích bơm phụ:
ConF → Full → 200- → 206.0 → 126
Chọn mức tác động:
ConF → Full → 200- → 206.1 → 00 nếu là kích mức cao (24VDC)
→ 01 nếu là kích mức thấp (0VDC)
Cài đặt tần số chạy bơm phụ:
ConF → Full → 500- →510- →510.1 → xoay núm xoay chỉnh tầm số.
Cài đặt tần số dừng bơm phụ:
ConF → Full → 500- →510- →510.4 → xoay núm xoay chỉnh tầm số.
Ngoài ra còn có các Mode hỗ trợ bơm phụ khác:
510.2: Delay thời gian bắt đầu bơm phụ.
510.3: Thời gian ramp chạy bơm phụ.
510.5: Delay thời gian ngưng bơm phụ.
510.6: Thời gian ramp ngắt bơm phụ.
Trên là bài viết chia sẻ về cách cài đặt sử dụng chức năng bơm phụ trong biến tần Schneider ATV310.
Hãy liên hệ với chúng tôi để có được giải pháp tốt nhất.



Bình luận